我走到操作室,首先查看励磁柜,也没有报警显示的呀,调试一下励磁装置也正常。
2024-10-18 (中国)官方网站
机组并网后励磁装置灭磁柜电阻元件烧损案例分享
2023-05-31 (中国)官方网站
2023-05-23 (中国)官方网站
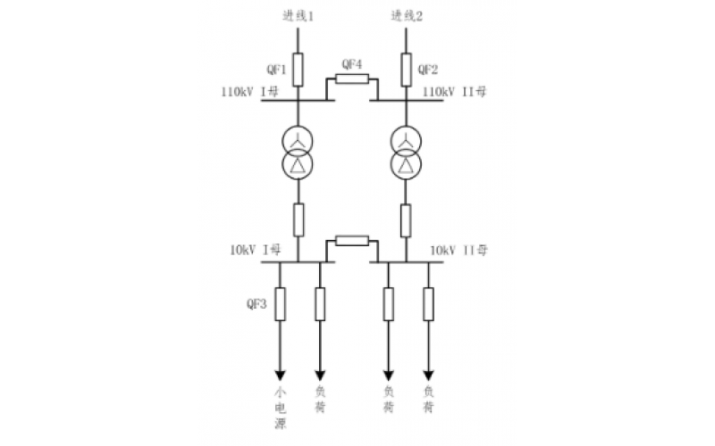
重庆(中国)官方网站-小电源接入对备自投的影响
2022-09-06 (中国)官方网站