新闻动态
KWZK开云电子注册
网站首页
(中国)官方网站
公司简介
在线反馈
联系我们
产品展示
全部
传感器/变送器
流量计系列
液位/料位系列
阀门/执行装置
液压/气动元件
检维修工器具
化验/分析仪器
其他机电仪产品
新闻动态
全部
行业知识
企业新闻
资料下载
客户案例
新闻动态
推荐
热门
最新
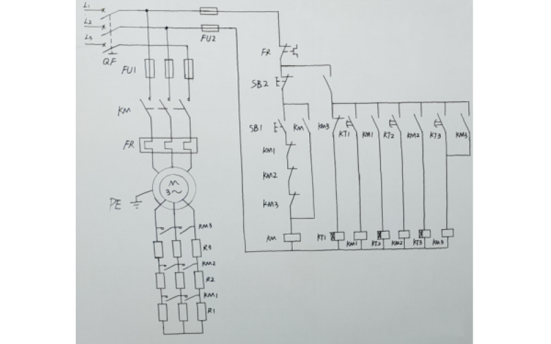
绕线转子异步电动机转子串电阻启动电路解析
绕线转子异步电动机转子串电阻启动电路解析
2022-11-17
(中国)官方网站
上一页
1
下一页
转至第
首页
产品
新闻
联系
乐动网页版
|
米兰体育平台app官网_米兰体育(中国)
|
开云电子_开云电子(中国)
|
米兰电竞(中国)官方网站
|
LY体育·(国际)官方网站
|
milan米兰体育(中国区)体育官方网站
|
华体会登入
|
星空体育登录官网_星空(中国)
|
九游体育
|