行业知识

滚动轴承知识及故障诊断知识

2022-04-07 09:53:54 (中国)官方网站

滚动轴承知识及故障诊断知识


一、滚动轴承的基本知识


a.滚动轴承能够起到支撑转动的轴及轴上零件,并保持旋转轴的正常工作位置和精度。在滚动轴承中,滚动体与滚道之间为点或线接触,其间的摩擦为滚动摩擦,常用的轴承有SKF,NSK, FAG及洛阳轴承等。


b.由于滚动摩擦力远远小于滑动轴承(面接触,滑动摩擦),可以显著减小消耗和摩擦阻力的功耗,节能效果显著,维修方便,质量可靠。常用于中低载,中低速和一般工作环境下的场合,但在特殊工作条件下如高速,重载,精密,防腐,防磁以及特大型设备等场合,轴承选用原则是优先选用滚动轴承,特殊情况用滑动轴承。


c.滚动轴承主要由内圈,外圈,保持架和滚珠或滚柱或滚针组成,工况工作恶劣的场合还常装有密封件,分为深沟球轴承(主要承受径向力,可承受部分轴向力),角接触轴承(触球轴承的钢珠与内外圈接触点的连线与径向成一角度。接触角度σ一般分为15°、30°、40°,分别用字母C、A、B表示,角度越大能承受的轴向力就越大),双球调心轴承,法兰轴承等。

图片关键词

d.滚动轴承材料要具备高的接触疲劳性能,高的耐磨性,高的弹性极限,合适的硬度,一定的韧性,良好的尺寸稳定性和一定的防锈能力,内外圈及滚动体材料是高碳铬轴承钢(含碳1%左右,含铬1.5%左右,并含有少量的锰,硅元素,例GCr4,GCr15, GCr15SiMn等)或渗碳钢(经渗碳和热处理淬,回火后的优质低合金钢,含有较低的碳和一定量的合金元素,例20GrNiMoA, 16Cr2Ni4MoA),前者采用全淬火,表面和心部均可硬化,一般的硬度为HRC58---65。


补充知识:-淬火是把钢加热到临界温度以上,保温一定时间,然后快速冷却(水浴或油浴等),从而获得以马氏体为主的不平衡组织的一种热处理工艺方法;退火是加热到适宜温度以上后在保温材料覆盖下缓慢降温使其组织平衡;正火是加热到适宜温度后在空气中冷却;回火是为了降低钢材的脆性,将淬火后的钢件在高于室温而低于710度的某一适宜温度长时间保温,再进行冷却的工艺,二者结合又称调质处理。


e.陶瓷轴承是在轴承的内圈或外圈镀了一层粉末冶金陶瓷材料包括碳化硅SiC, 氮化硅Si3N4,氧化锆Zr02微晶陶瓷(绝缘,硬度高,比重轻,高温性能好,耐磨性能好),受热胀冷缩的比例小可在温差变化较大的场合应用。


f.电绝缘轴承采用特种喷涂工艺,在轴承的外表面喷镀优质覆膜,覆膜与基体结合力强,绝缘性能好,可避免感应电流对轴承的电蚀作用,防止电流对润滑脂和滚动体、滚道造成的损坏,提高轴承的使用寿命。该工艺不断被改进,绝缘轴承中,在外圈或内圈表面有一层100μm厚的涂层,可承受最高1000伏的电压。

图片关键词

陶瓷轴承(左图),绝缘轴承(右图)

g.滚动轴承型号:-是用来表明轴承的内径,直径系列,宽度系列和类型一般多为五位数,代号分为前置代号+基本代号+后置代号;

图片关键词

例如轴承L6213J/C3,轴承的前置代号用于表示轴承的分部件,用字母表示。如用 L表示可分离轴承的可分离套圈;

6219为基本代号,轴承内径为右边第一二位数字*5,本例轴承内径为13*5=65mm; 2表示轻系类轴承;6为轴承的类型编号;常用的编号如下:-

图片关键词

J/C3为后置代号是用字母和数字等表示轴承的结构,公差及材料的特殊要求等,J为J型状钢支撑圈,C3为轴承的径向游隙。


7220ADBC3 7指角接触轴承,2直径系类20内径100mm,A指角度为30度,DB背靠背组合。


h.滚动轴承载荷:滚动体是点或线接触,滚动体运转到负荷区时才承受载荷,故而疲劳损伤是轴承概率最高的故障。所附为轴承受力图及内圈外圈受力图,大部分时间下内圈作用力显然比外圈作用力大,这也就是内圈更容易出现疲劳损伤的原因。对于深沟球轴承来说轴向载荷过大会导致其使用寿命缩短,故而选型时必须考虑径向轴承的轴向力。

图片关键词

i.滚动轴承寿命:-指在内外圈及滚动体首次出现疲劳损伤之前轴承运行的时间。基本额定寿命,L10h是基于某一足够大数量表面上完全相同的轴承在相同的工况下运行,其中 90% 能够达到或超过的疲劳寿命。

图片关键词

其中C为基本额定动载荷[KN], P为轴承等效动载荷[KN],n为转速[r/min],p为寿命公式的指数,3表示球轴承,10/3表示滚子轴承。


实际生产运行中,轴承寿命又受启停次数,现场运营维护,现场运行环境等因素影响,故而轴承寿命不便于预测,可以基于现场振动轴承温度声音是否异常更换,或根据现场设备的重要性提前预防性维护,一般轴承寿命2-3年。


j.滚动轴承游隙:-轴承游隙即轴承在未安装于轴或轴承箱时,将其内圈或外圈的一方固定,然后便于未被固定的一方做径向或轴向移动时的移动量。根据移动方向,可分为径向游隙和轴向游隙。


如果游隙过小,会导致轴承发热或抱死,轴承游隙过大,会导致轴向窜动,同时导致轴向振动大。


基本径向游隙组适用于一般的运转条件、常规温度及常用的过盈配合;在高温、高速、低噪声、低摩擦等特殊条件下工作的轴承则宜选用大的径向游隙;对精密主轴、机床主轴用轴承等宜选用较小的径向游隙。轴承装机后的工作游隙,要比安装前的原始游隙小,因为轴承要承受一定的负荷旋转,还有轴承配合和负荷所产生的弹性变形量。

图片关键词

二、滚动轴承的安装


a.角接触轴承一般两两配合使用,经常听到技术人员说轴承是“背靠背”或“面对面”安装,那么什么是背,什么是面呢?定义外圈较宽一侧为“面”,较窄一侧为“背”,看内外圈受力线连接方式或想象人头(球)带帽子(外圈)的样子。

图片关键词

b.一般我们将轴承安装在轴上,轴承坐落在轴承座里面,其间会涉及到轴承内圈与轴承的过盈配合,轴承外圈与轴承座的配合。在轴承安装之前,我们必须对轴外径,轴承座内径以及轴承内外径进行确认,过大或过小配合都可能导致轴承问题,导致跑内圈和跑外圈的现象,进而导致振动高和轴承寿命缩短。

轴承的尺寸配合可以根据轴的大小在轴承手册中查到,对于轴承内圈,采用基轴配合,轴承外圈采用基孔配合。

图片关键词

图片关键词

表3径向轴承与轴配合尺寸

图片关键词

表4滚动轴承与轴承座配合尺寸


c.常用的轴承安装方法有冷装,热装,液压装配等。轴承的安装一定要严格按照标准程序和检查清单,使用正确的工具,否则会导致轴承失效。装配问题包括装配时损伤到轴承内部运动部件,部件配合过松,轴向或径向预应力过大等。轴向的预应力过大(过于紧配合)会使得轴承运行时的噪声很大,内外圈的温差加大。


研究表明16%的轴承的提前失效是由于装配不当(用力过大)或不会正确使用工具导致。例如热装时加热不均,加热温度过高,轴承的膨胀系数为12.5*10-6  ,一般要求低于100degC,80-90度较好,以免轴承局部过热退火,因为轴承的硬度因过热而有降低的风险; 安装之前应该确定轴心,轴承座的配合面是否有撞伤或突起等,确保轴承安装到位,有时轴承端面于轴肩之间可能会产生间隙,需要热装冷却时作用一个轴向力;安装过程中对内圈施力,切勿对外圈作用力;另外装配时,应使轴承和轴肩靠紧,圆锥滚子轴承和向心推力轴承与轴肩的间隙不得大于0.05mm,其它轴承不得大于0.1mm。

图片关键词

三、滚动轴承的失效形式


1.常见的轴承失效有磨损失效,疲劳失效,腐蚀失效,断裂失效,电腐蚀,压痕失效等。生产维修中,常说的轴承剥落,常指的是我们看到的现象,轴承剥落可能有疲劳,磨损,腐蚀等导致。

图片关键词

(1)磨损失效Wear


外界进入的颗粒物质(软性/中性/硬性物质)或润滑不足时会将原本光滑的接触面磨损出凹槽,严重的甚至能改变沟道的形状和滚子的外观和直径。轴承运动部件的间隙增大而产生严重的晃动,摩擦力急剧增大,最终导致轴承损毁。


需要注意的是异物导致的轴承失效,逐渐发展为轴承的疲劳损伤,也就是轴承出现故障后,如不及时查找原因,那么运行一段时间后就会导致二次损伤从而覆盖了初始损伤的原因。

图片关键词

(2)疲劳损伤Fatigue Damage


疲劳损伤产生于轴承中运动部件接触面内部或外部,最初形态为细小的内部裂纹。之后慢慢向表面延伸,最终导致接触面的破损。对应的轴承的故障可以表现为滚道或滚子的凹痕、破裂、剥离,时域波形常表现为周期性。

图片关键词

(3)润滑不好


润滑不好回导致轴承内部出现金属碰金属的现象,导致局部出现镜摩擦,轴承温度升高进而导致部件之间间隙变大。

图片关键词

(4)裂纹


内环或外环裂开,可能原因是轴承受到的了冲击。保持架出现裂纹可能是内外环的对中安装不好或高负荷高振动导致的。

图片关键词

(5)电腐蚀Electrical corrossion



当轴承隔离不好时,存在静电,那么就会在轴承间隙小处进行释放,局部产生上千度的高温导致金属表面融化,产生电腐蚀和高温的痕迹(注意轴承缺油脂润滑不好时也会产生高温的痕迹)。


2.通过以上的陈述,我们了解了轴承的多种失效形式及表现,那么引起这些失效的原因是什么呢?

图片关键词

36%的轴承失效是由于润滑不当导致的,过多或过少润滑脂,选择了错误的润滑脂,旧润滑脂未能及时排出等。


可能有些人会对滚动轴承有误解,认为滚珠和内外环是直接接触的,其实它们之间也是有一定油膜的,油膜的作用:-减小摩擦,降低摩擦热,增大接触面积减小接触应力,防尘防锈防腐蚀等作用。


滚动轴承可以考虑使用油润滑(高速和高负荷的轴承),脂润滑(低速,中速和中温轴承)和固体润滑(高速和高温,二硫化钼及石墨粉)。润滑脂有有机脂和无机脂两类,其中有机脂又包含矿物油的皂基脂+添加剂和合成油的皂基脂。另外在一些特殊场合我们也会用到固体润滑剂(软金属/金属的化合物/其它有机或无机物质)。润滑脂是由基油70%,稠化剂5-30%和添加剂所组成的半固体状的润滑剂,及少量的添加剂。稠化剂包括锂基(ZL),钙基(ZG),钠基(ZN),铝基等。


润滑剂用量要合适,太多太好都不好,太多会产生大量的搅拌热量,导致轴承温度升高,加快润滑剂的老化;太少会导致油膜不能形成金属碰金属,导致出现干摩擦。不同设备的添加频率不同,应根据设备的结构形式,转速和载荷等分别对待,目前常用的两种策略:-A,对于低速低载荷的设备,可以考虑按月或季度添加,目的是加新润滑脂的同时可以将旧油脂挤压出来;B,对于高速高载荷的设备,考虑到润滑脂对其的影响敏感,采取少量多次的原则,或使用自动加脂机。


在维修中,外壳内的润滑脂充填量随外壳的结构和容积而有所不同,一般充填至容积的1/3~1/2为宜/充填量过多时,润滑脂因搅拌发热发生变质,老化及软化,应加以注意。但用于低速轴承,为防止异物侵入,有时也充填至容积的2/3~1/2。


14%的轴承失效是由于轴承和润滑脂受到污染导致的,或轴承的密封效果不好;如下图所示,轴承润滑脂中进入异物,导致轴承滚道出现磨损,进而导致轴承失效产生材料剥落。

图片关键词

轴承滚动体和滚道在润滑脂油膜作用下有0.0005mm的作用距离,不是直接接触的。


34%的轴承失效是由于疲劳导致的,如果设备受到过载,使用或维护不当都会导致,例如轴承常年运行温度过高,那么轴承使用寿命就会缩短,产生疲劳失效;


16%的失效是由于装配不当(通常是由于用力过大,装配不到位,配合尺寸偏差,跳动大等)和不会正确使用装配工具造成的。


4 滚动轴承的保管

1) 备用轴承的存放,应该平放,存放在冷凉通风的场所,防锈油在50-60度就会流出来。不同储存周期的轴承会使用不同类型的防锈油,需要多加注意。另外若储存轴承周期超过预定时间,应提前更换防锈油重新做轴承防护。

2) 另需要强调的一点:-如今市场上产品质量良莠不齐,仿制品很多,产生了很多因为轴承质量问题而导致的设备停产检修,所以必须从正规渠道购买轴承。另除了正规的第三方进行轴承质量的认定外,作为设备维修人员在安装轴承之前,应对轴承有初步的判断,主要通过查看轴承:-外包装是否清晰;钢印字是否清晰;轴承手动旋转是否有异响;表面的防锈油是否均匀是否有异味;倒角是否均匀等外观来判断;也可通过轴承的尺寸是否有偏差,游隙是否与规定相吻合来进一步判断。

5 滚动轴承的故障诊断及案例分析


  如何预测轴承的寿命和进行故障诊断,与生产的可靠性息息相关。轴承作为成熟的产品,在生产中我们有很多中我们有很多监测和故障诊断的方法---通过轴承温度,振动,声音,油/润滑脂颜色和油样分析等来监测;通过振动或声音频谱分析,脉冲测量,超声波,热成像等进行故障分析。


  故障诊断表可以给我们指引判断方向,但切记照搬原样,具体问题还需要具体分;通过轴承失效表我们可以知道轴承出现运行报警后,可能很快就会出现轴承失效,因此正确的判断和计划性维修至关重要。

图片关键词

表5 滚动轴承故障诊断表

图片关键词

表6 滚动轴承失效的时间表


方法总总,道路条条,但找到适合自己的故障诊断方法至关重要,需要案例与理论知识的反复验证。以下介绍故障诊断中时域与频域分析的应用和案例分析。


a)条件允许的情况下,对滚动轴承的频谱分析,作者认为较为准确,经得住实战的考验。如我们所知滚动轴承是标准设计部件,其各部件(内外环,保持架,滚动体)在某一转速下,分别对应固定的频率。各部件的固有频率计算可以使用SKF轴承APP软件输入轴承型号和转速就能计算出来;或根据常用的经验公式来进行计算,经验值为内圈运行频率为0.6X*滚珠数,外圈为0.4X*滚珠数。


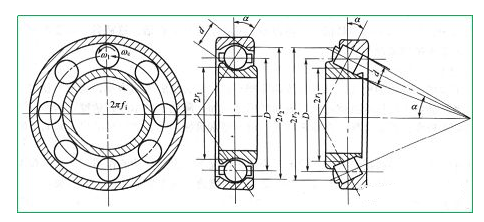
滚动轴承故障特征频率(外圈静止)式中:Z--滚动体个数;fr--转频(Hz);D--轴承节径(mm);d--滚动体直径(mm);α--接触角。

图片关键词

滚动轴承内圈故障特征频率:-

图片关键词

正常运行的轴承其频谱仅显示为1倍频且值在允许范围之内(频谱较干净),那么若出现内环或外环出现损伤,其对应的频率就会被激发出来,利用这一原理我们就可以精确的知道轴承是否存在故障及故障程度,从而制定维修计划做到预知性维修(不同于故障维修和预防性维修,预知性维修是那坏修那,避免了故障维修导致的生产损失,同时也避免了预防性维修导致的杀敌一千自损八百),轴承各部件的频率计算可参考例1;


b) 条件不允许的情况下,即现场没有频谱仪,那么我们也有手段进行故障诊断,可以结合时域波形,现场声音,速度和加速度值或脉冲Q值来综合判断。几点强调如下:-


加速度对作用力敏感,更能查找轴承的早期故障,目前还没有规范定义轴承的加速度值标准,根据运营经验,建议周期性的测量加速度值,判断其是否增加;例如正常轴承5-20g/s2, 轴承出现异常时能超过100g/s2. 但存在明显的不足,加速度值高了也可能是润滑油,轴系不对中,轴承润滑不良,润滑油污染等造成的。任何金属划擦,磨碰或撞击都会产生冲击脉冲,都会干扰轴承的冲击信号。不能立刻决定就更换轴承,那么此时如果手边没有频谱仪,建议加润滑脂来进行判断,加完后可能会出现如下情况:-


加润滑脂后冲击值马上降低,但几个小时后又升高,那么可以判断是轴承本身有损伤;


加润滑脂后若冲击值马上降低并保持低位,那么可以判断是轴承润滑不良或油液中有颗粒导致的;


加润滑脂后若冲击值没有变化,那么可以判断冲击值高的原因可能是轴承与轴/轴承座配合问题,或是有其它干扰或临近轴承的串音干扰。


经典时域波形如下

图片关键词

图(左)振动的时域波形,若发现时域波形存在明显的周期性,那么根据时域波形的周期性我们就可以计算得出其对应的频谱f=1/T,进而知道是那个部件发生了故障;


图(右)滚动轴承如果存在润滑不良造成的干摩擦,那么在时域波形中我们就会发现削波现象。


例1)滚动轴承基于频谱分析的故障诊断


  某工厂工艺氧泵使用单泵运行,如果此泵发生故障就会导致整套空分设备的跳车,因此其运行可靠性至关重要。为保障其运行可靠性,团队制定了严格的检测手段,利用频谱测量设备DCX定期测量该泵电机的频谱。运行一段时间后发现频谱中有9X频谱的出现和升高,如下图所示。

图片关键词

  该轴承型号为7226BCBM,已知轴承的运行速度,可以通过轴承设计软件计算出轴承内圈,外圈,保持环,滚珠对应的运行频率(扰动频率)。经验公式为内圈频率为0.6X*滚珠数,外圈为0.4X*滚珠数。


  正常轴承运行显示1倍频,如果出现其它部件的运行频率,多为高倍频,那么极有可能此部件出现了问题。


例如本案例出现了轴承的9X,正好对应于轴承的内圈频率,考虑到此值在逐步升高,现场团队作了计划性的维修工作,最后拆开轴承后发现轴承内圈出现疲劳损伤,从而避免了一次轴承故障引起的非计划性停车。

图片关键词

例2)滚动轴承基于频谱分析的故障诊断


  如下图所示,某电机振动(红色线所示)突然之间波动范围增大,在1.2—3.0mm/s之间波动,虽然最高振动值并不高且与跳车值9.1mm/s有很大的距离,但发现现场噪音增加同时现场测量其加速度值由10g/s2逐步增加到300g/s2,脉冲测振显示Q值也超出了标准。现场加润滑脂发现轴承噪音和振动没有改善。

图片关键词

团队判断轴承存在问题,做了计划性维修,拆建发现轴的绝缘层发生脱落,且碎片进入轴承内部,导致轴承内圈和一个滚珠发生磨损,及时的维修更换避免了故障进一步的恶化,避免了非计划性停机。

图片关键词

  由本例可知加速度或脉冲测振可以发现轴承的早期故障,但需要注意润滑脂不足时也会导致加速度和脉冲值升高,需要加脂进行排除。

[1] SKF bearing failure&causes.

[2] SKF bearing maintenance handbook.

[3] NSK new bearing doctor.

[4]轴承润滑技术


TAG: 轴承
首页
产品
新闻
联系