给排水管道的安装知识分享
2023-07-05 (中国)官方网站
换热设备操作规程知识分享
检修防误专项安全措施知识分享
2023-07-03 (中国)官方网站
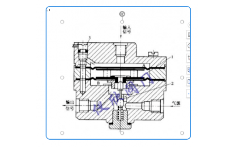
详解气动继动器知识分享
工业自动化仪表设计安装容易忽略的问题
仪表测量范围,量程,示值范围的区别知识分享
2023-06-30 (中国)官方网站
变电站蓄电池组开路的严重后果及应对知识分享
粉尘多的工厂用哪种变频器合适?